AMF Poortscharnier 149TV
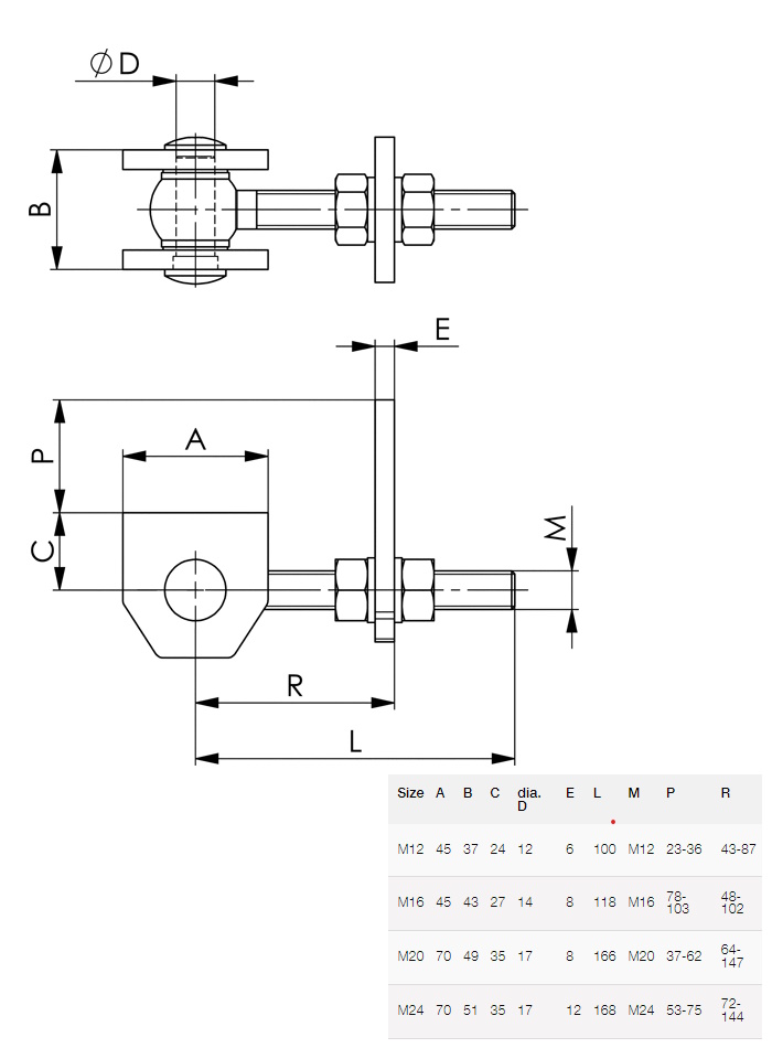
Het AMF Poortscharnier 149TV combineert flexibiliteit met duurzaamheid en is een onmisbaar onderdeel voor elke poortinstallatie. Dit verstelbare scharnier is vervaardigd uit staal en gedeeltelijk verzinkt, wat het niet alleen robuust maar ook bestand tegen corrosie maakt. De verstelbare eigenschappen zorgen voor een precieze uitlijning en een naadloze werking van uw poort.
Speciaal ontworpen om aan laslipjes en U-balken te lassen, biedt dit scharnier een flexibele montagemogelijkheid die aanpasbaar is aan verschillende installatiebehoeften. De gedeeltelijke verzinking verhoogt de duurzaamheid en biedt extra bescherming tegen de elementen, wat dit scharnier ideaal maakt voor zowel binnen- als buitengebruik.
Kies voor het AMF Poortscharnier 149TV als u behoefte heeft aan een betrouwbare en aanpasbare oplossing die de efficiëntie en veiligheid van uw poortsystemen garandeert. Dit scharnier is perfect voor situaties waarin flexibiliteit en kracht vereist zijn, en biedt een lange levensduur en eenvoudige installatie.