AMF 142S POORTSLOT MET HAAK

https://besa-sloten.be/web/image/product.template/12549/image_1920?unique=e625643
127.28 EUR 127.28

154,01 € 154,01 €

127,28 € 127,28 € excl. BTW

Voorraad: 2.00 Stuks
Locatie(s): W/AW-K3.2

124,24 € Exclusief btw

PRIJS OP AANVRAAG

  • Soort poort
  • Asmaat (mm)
  • Doornmaat (mm)
  • Voorplaat breedte (mm)
  • Voorplaat lengte (mm)
  • Materiaal voorplaat
  • Draairichting
  • Slothuis
  • Poort profiel vorm
  • Type slotbediening
  • Kruknoot ⧄ (mm)
  • Paniekfunctie
  • Zelfvergrendelend
  • Kleur

Deze combinatie bestaat niet.

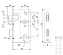
Soort poort: Schuifpoort
Asmaat (mm): 72
Doornmaat (mm): 60
Voorplaat lengte (mm): 166
Materiaal voorplaat: Verzinkt
Draairichting: Keerbaar
Slothuis: Zonder
Poort profiel vorm: Vierkant
Type slotbediening: Euro profielcilinder
Kruknoot ⧄ (mm): ⧄ 8
Paniekfunctie: Zonder
Zelfvergrendelend: Neen
Kleur: Zilver


Artikelnummer: 13789
Barcode: 4020772013783